
Introduction:
BASIC CONFIGURATION
FEATURES AND BENEFITS

Thermal Insulation
K=2.4~2.0W/(m2·K)

Air Tightness
Class 7

Sound Insulation
Rw≥35dB

Water Tightness
Class 4

Wind Load Resistance
Class 5
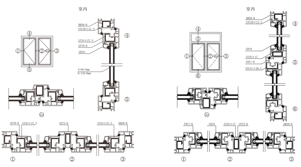
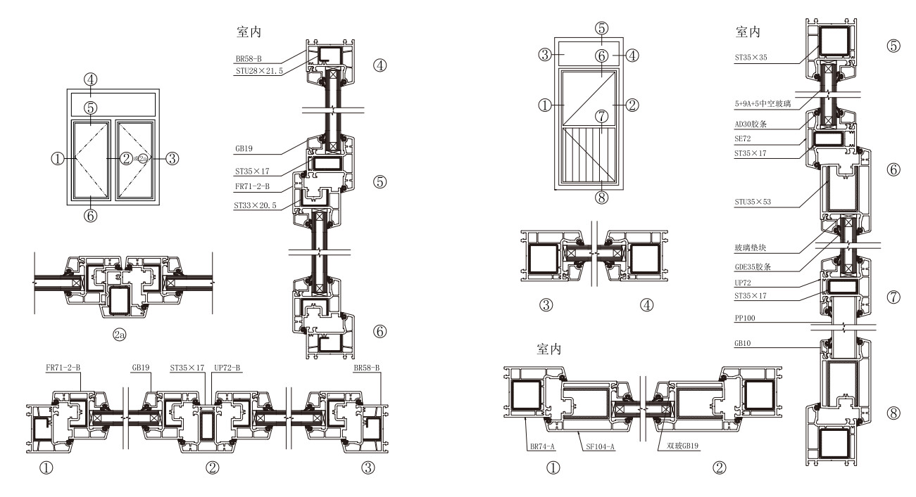
PROFILE NODE DIAGRAM


RELATED PRODUCTS
Online Message
Online Message
Please feel free to inquiry us we will answer you soon